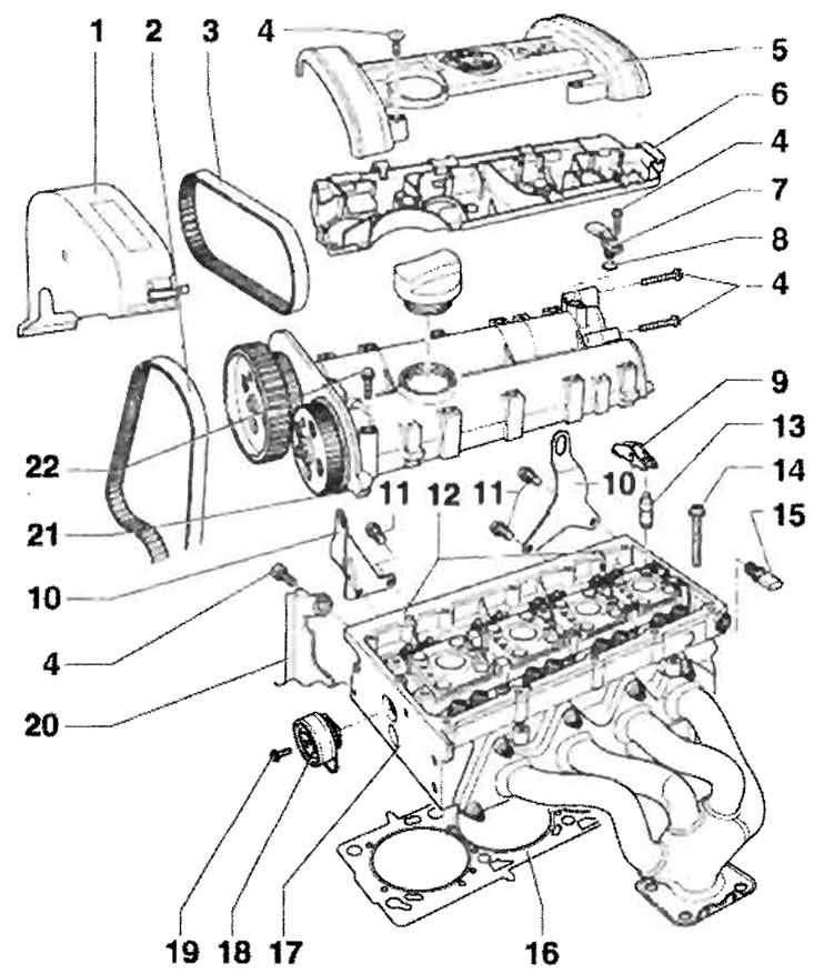
Сборочная схема головки блока цилиндров
Важно: В случае установки съемной головки блока цилиндров нужно перед установкой крышки головки блока цилиндров смазать маслом все площади соприкасания между гидравлическими толкателями, коромыслами и поверхностями трения кулачка. Поставляемые пластмассовые подкладные шайбы, защищающие вскрытые клапаны, можно удалить только перед самой установкой головки блока цилиндров. Перед тем как начать сборочные работы, нужно смазать маслом все опорные поверхности подшипников и рабочие поверхности.
1 - Защитный кожух зубчатого приводного ремня - верхняя часть; 2 - Зубчатый ремень главного привода, прежде чем снять, отметить направление движения; 3 - Зубчатый ремень соединительного привода, прежде чем снять, отметить направление движения; 4 - 10 Нм; 5 - Защитный колпак; 6 - Провод, привинтить на крышку головки блока цилиндров с приложением 8 Нм; 7 - Датчик Холла -G40-; 8 - Уплотнительное кольцо круглого сечения, заменить; 9 - Коромысло, проверить легкость хода роликоподшипника, смазать поверхности трения маслом, при сборке установить стопорным хомутиком на гидравлическом толкателе; 10 - Проушина; 11 -20 Нм; 12 - Установочные штифты; 13 - Гидравлический толкатель, не перепутать с гидравлическим регулированием зазора в приводе клапанов, смазать поверхность трения маслом, перед тем как приступить к установке, проверить осевой зазор распределительного вала; 14 - Болт крепления головки блока цилиндров, заменить; 15 - Выключатель-датчик падения давления масла с гидроприводом 0,03-0,07 МПа -F1 -, 25 Нм, при нарушении герметичности разрезать уплотнительное кольцо и заменить; 16 - Прокладка головки блока цилиндров, заменить, металлическая прокладка; 17 - Головка блока цилиндров, уплотняющие поверхности с крышкой головки блока цилиндров нужно избавить от масла и жира, после замены возобновить весь заправочный объем охлаждающей жидкости; 18 - Натяжной ролик соединительного привода; 19 - 20 Нм; 20 - Задний защитный кожух зубчатого приводного ремня; 21 - Крышка головки блока цилиндров, при установке надеть перпендикулярно сверху на распорные болты и установочные штифты; 22 - 10 Нм + повернуть дополнительно на 1/4 оборота (90°), заменить, затягивать изнутри наружу
Ремонт клапанного механизма газораспределения
1 - 10 Нм; 2 - Защитный колпак; 3 - Провод; 4 - 20 Нм + повернуть дополнительно на 1/4 оборота (90°); 5 - Приводная шестерня (шкив) распределительного вала; 6 - Уплотнительное кольцо, заменять только при установленном распределительном вале, слегка смазать рабочую кромку уплотнительного кольца маслом; 7 - Зубчатый ремень соединительного привода, прежде чем снять, отметить направление движения; 8 - 10 Нм + повернуть дополнительно на 1/4 оборота (90°), заменить, затягивать изнутри наружу; 9 - Крышка головки блока цилиндров, при установке надеть сверху перпендикулярно на распорные болты и установочные штифты; 10 - Крышка; 11 - 10 Нм; 12 - Коромысло, проверить легкость хода роликоподшипника, смазать поверхность трения маслом, для целей сборки закрепить стопорный хомутик на гидравлический толкатель; 13 - Чеки; 14 - Крышка; 15 - 20 Нм; 16 - Проушина; 17 - Обратный клапан, 6 Нм, очистить резьбу и установить с уплотняющим средством не затягивать крепче, а то клапан может застрять; 18 - Гидравлический толкатель, не пережать с гидравлическим регулированием зазора в приводе клапанов, смазать поверхность трения маслом; 19 - Тарелка пружины клапана; 20 - Пружина клапана; 22 - Направляющая втулка клапана; 23 - Выключатель-датчик падения давления масла с гидроприводом 0,03 - 0,07 МПа -F1-, 25 Нм, при нарушении герметичности разрезать уплотнительное кольцо и заменить; 24 - Клапаны, не подгонять, допускается только пришлифовка; 25 - Головка блока цилиндров; 26 - 20 Нм; 27 - Натяжной ролик соединительного привода; 28 - Резьбовая пробка, 45 Нм, устанавливать с уплотняющим средством, нельзя завинчивать слишком глубоко, максимальное : пускаемое утапливание ниже поверхности прилегания крышки головки блока цилиндров - 2 мм; 29 - Распределительные валы, прежде чем устанавливать, смазать маслом, после встраивания заменить уплотнительные кольца; 30 - Уплотнительное кольцо круглого сечения, заменить, перед применением смазать маслом
