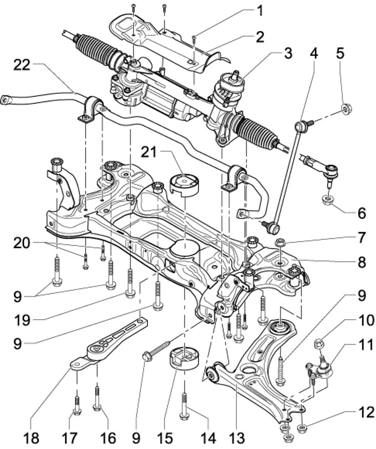
1.1а. Монтажни части на предната подрама, стабилизатора и предния носач (модели с алуминиева подрамка) 1, 27. Самозатягаща се гайка, подлежаща на подмяна, 65 Nm, при затягане дръжте за многоъгълника на пантата; 2. Стабилизираща щанга 28, между стабилизатора и щангата на окачването; 3. Конзолата трябва да се смени при регулиране на ъглите на подравняване на предните колела; 4. Скоба със залепена гумена втулка; 5. Болт M10x76, подлежащ на подмяна, 50 Nm, след което затегнете до ъгъл от 90°; 6, 7. Болт M12x1.5x90, подлежи на подмяна, 70 Nm, след което се затяга до ъгъл от 180°; 8. Сензор за височина на окачването отпред ляво "G78", при модели с автоматично регулиране на нивото на фаровете след 11.2009 г.; 9. Болт, 9 Nm, само за модели от 11.2009 г.; 10. Носач на окачване, рамената, изработени от един и същи материал, трябва да бъдат монтирани от двете страни, ако са повредени, сферичният шарнир трябва да се смени заедно с рамото; 11. Самозатягаща се гайка, подлежаща на подмяна, 60 Nm; 12. Сферична връзка, ако е повредена, лостът трябва да се смени заедно с опората; 13. Самозатягаща се гайка, подлежаща на подмяна, 60 Nm; 14. Гайка, 9 Nm, само за модели от 11.2009 г.; 15. Болт M12x1.5x100, подлежи на подмяна, 70 Nm, след което се затяга до ъгъл от 90°; 16. Болт M8x75, подлежащ на подмяна, 20 Nm, след което затегнете до ъгъл от 90°; 17. Болт M12x1.5x75, подлежи на подмяна, 70 Nm, след което затегнете до ъгъл от 90°; 18. Болт M14x1.5x70, за подмяна, 100 Nm, след което затегнете до ъгъл от 90°, първо затегнете, когато опората на кобилицата е закрепена с болтове към трансмисията; 19. Държач за звукоизолация; 20. Болт M 10x75, подлежи на подмяна; 21. Болт M10x35, подлежи на подмяна; 22. Качающаяся разчита, на първо място закрепляйте на силовата линия, а след това - в подрамнике; 23. Долна гумено-метална втулка на люлеещата се опора; 24. Подрамка; 25. Горна гумено-метална втулка на люлеещата се опора; 26. Болт М12x1.5x110, подлежи на подмяна, 70 Nm, след което се затяга до ъгъл 180°, затяга се при ненатоварено окачване; 28. Стабилизираща щанга
1.1б. Монтажни части на предната подрама, стабилизатора и предния носач (модели със стоманена подрамка) 1. Болт, 6 Нм; 2. Топлинен щит; 3. Кормилен механизъм; 4. Стабилизираща щанга 22, между стабилизатора и щангата на окачването; 5. Гайка, 65 Нм; 6. Гайка, подлежаща на смяна, 20 Nm, след което затегнете до ъгъл от 90°; 7. Гайка, която ще се смени, 70 Nm, след което затегнете до ъгъл от 180°, задръжте, докато затягате болта 9; 8. Подрамата, заварената част е изработена от стомана; 9. Болтът, който подлежи на смяна, е 70 Nm, след което го затегнете до ъгъл от 180°, като едновременно с това държите гайката 7; 10. Самозатягаща се гайка, подлежаща на подмяна, 60 Nm; 11. Сферичната връзка, ако е повредена, сменете лоста заедно с опората; 12. Самозатягаща се гайка, подлежаща на подмяна, 100 Nm; 13. Носач на окачване, рамената, изработени от един и същи материал, трябва да бъдат монтирани от двете страни, ако са повредени, сферичният шарнир трябва да се смени заедно с рамото; 14. Болт M14x1.5x70, подлежащ на подмяна, 100 Nm, след което затегнете до ъгъл от 90°, първо затегнете, когато опората на кобилицата е закрепена с болтове към трансмисията; 15. Долна гумено-метална втулка на люлеещата се опора; 16. Болт M10x75, подлежи на подмяна; 17. Болт M10x35, подлежи на подмяна; 18. Люлееща се опора; 19. Болт M10x76, подлежащ на подмяна, 50 Nm, след което затегнете до ъгъл от 90°; 20. Болт M8x75, подлежи на подмяна, 20 Nm, след което затегнете до ъгъл от 90°; 21. Горна гумено-метална втулка на люлеещата се опора; 22. Стабилизираща щанга
Задно окачване - независимо, многораменно, с отделно монтирани амортисьори и пружини (виж илюстрация 1.2 a-d и 1.3 а-b) Държачът на главината е показан на илюстрации 3.1a-b Глава 8.
1.2а. Подрама и задни носачи за модели с предно предаване до 21-ва седмица на 2010 г. Стрелка Посока на движение; 1. Ексцентричен болт за регулиране на наклона, не завъртайте повече от 90° във всяка посока; 2, 5. Самозатягаща се гайка, подлежаща на подмяна, 95 Nm, затегната с ненатоварено окачване; 3, 6. Ексцентрична шайба, вътрешен отвор с издатина; 4. Ексцентричен болт за регулиране на сближаването, не завъртайте повече от 90° във всяка посока; 7. Подрамка; 8. Болтът, подлежащ на смяна, 90 Nm, след което го затегнете до ъгъл от 90°; 9. Долен напречен носач; 10. Самозатягаща се гайка, подлежаща на подмяна, 90 Nm, след което се затяга до ъгъл от 90°, затяга се при ненатоварено окачване; 11. Болт, подлежащ на подмяна; 12. Резбовани втулки M6; 13. Дистанционна втулка; 14. Защита от камъни; 15. Болт, 8 Нм; 16. Самозатягаща се гайка, подлежаща на подмяна, 130 Nm, след което се затяга до ъгъл от 90°, затяга се при ненатоварено окачване; 17. Болт, подлежащ на подмяна, 130 Nm, след което затегнете до ъгъл от 90°, затегнат при ненатоварено окачване; 18, 20. Шайба; 19. Горна напречна кост; 21. Самозатягаща се гайка, подлежаща на подмяна, затегната при ненатоварено окачване чрез завъртане на болт 17; 22. Държач за кабели на ABS сензора, фиксиран към лост 19; 23. Държач за главина; 24, 27. Шайба; 25. Болт, подлежащ на подмяна, затегнат с ненатоварено окачване; 26. Водещ лост; 28. Самозатягаща се гайка, подлежаща на подмяна, 90 Nm, след което се затяга до ъгъл от 90°, затяга се при ненатоварено окачване; 29. Болт, подлежащ на подмяна, затегнат с ненатоварено окачване
1.2б. Подрама и задни носачи за модели с предно предаване от 22-ра седмица 2010 г. 1. Ексцентричен болт за регулиране на наклона, не завъртайте повече от 90° във всяка посока; 2, 5. Самозатягаща се гайка, подлежаща на подмяна, 95 Nm, затегната с ненатоварено окачване; 3, 6. Ексцентрична шайба, вътрешен отвор с издатина; 4. Ексцентричен болт за регулиране на сближаването, не завъртайте повече от 90° във всяка посока; 7. Подрамка; 8. Болтът, подлежащ на смяна, 90 Nm, след което го затегнете до ъгъл от 90°; 9. Долен напречен носач; 10. Самозатягаща се гайка, подлежаща на подмяна, 90 Nm, след което се затяга до ъгъл от 90°, затяга се при ненатоварено окачване; 11. Болт, подлежащ на подмяна; 12. Резбови втулки MB; 13. Дистанционна втулка; 14. Защита от камъни; 15. Болт, 8 Нм; 16. Болт, подлежащ на подмяна, 130 Nm, след което затегнете до ъгъл от 90°, затегнат при ненатоварено окачване; 17. Горна напречна кост; 18. Самозатягаща се гайка, подлежаща на подмяна, затяга се чрез завъртане на болт 16; 19, 22. Шайба; 20. Самозатягащата се гайка, подлежаща на подмяна, се затяга при ненатоварено окачване чрез завъртане на болт 23; 21. Държач за главина; 23. Болт, подлежащ на подмяна, 130 Nm, след което затегнете до ъгъл от 90°, затегнат при ненатоварено окачване; 24. Водещ лост; 25. Болт, подлежащ на подмяна; 26. Самозатягаща се гайка, подлежаща на подмяна, 90 Nm, след което се затяга до ъгъл от 90°, затяга се при ненатоварено окачване
1,2 сек. Подрама и задни окачващи лостове за модели с двойно предаване Стрелка Посока на движение; 1. Ексцентричен болт за регулиране на наклона, не завъртайте повече от 90° във всяка посока; 2, 5. Самозатягаща се гайка, подлежаща на подмяна, 95 Nm, затегната с ненатоварено окачване; 3, 6. Ексцентрична шайба, вътрешен отвор с издатина; 4. Ексцентричен болт за регулиране на сближаването, не завъртайте повече от 90° във всяка посока; 7. Подрамка; 8. Болтът, подлежащ на смяна, 90 Nm, след което го затегнете до ъгъл от 90°; 9. Долен напречен носач; 10. Самозатягаща се гайка, подлежаща на подмяна, 90 Nm, след което се затяга до ъгъл от 90°, като се затяга при ненатоварено окачване чрез завъртане на болт 11; 11. Болт, подлежащ на подмяна; 12. Самозатягаща се гайка, подлежаща на подмяна, 130 Nm, след което се затяга до ъгъл от 90°, затяга се при ненатоварено окачване; 13. Болт, подлежащ на подмяна, 130 Nm, след което затегнете до ъгъл от 90°, затегнат при ненатоварено окачване; 14, 16. Шайба; 15. Горна напречна кост; 17. Самозатягаща се гайка, подлежаща на подмяна, 130 Nm, след което се затяга до ъгъл от 90°, затяга се при ненатоварено окачване чрез завъртане на болт 13; 18. Държач за кабели на ABS сензора, фиксиран към лост 15; 19. Държач за главина; 20, 23. Шайба; 21. Болт, подлежащ на подмяна, затегнат с ненатоварено окачване; 22. Водещ лост; 23. Самозатягаща се гайка, подлежи на подмяна, 90 Nm, след което се затяга до ъгъл от 90°; 24. Болт, подлежащ на подмяна, затегнат с ненатоварено окачване
1.2г. Подрама и крайно задвижване на модели с предно предаване Стрелка Посока на движение 1. Подрама; 2/4. Залепена гумена втулка отзад/отпред; 3. Болтът, който подлежи на смяна, е 90 Nm, след което се затяга до ъгъл от 90°; 5. Задно крайно задвижване; 6, 9. Болт, подлежащ на подмяна, 60 Nm, след което затегнете до ъгъл от 90°; 7, 8. Шайба
1. За. Задно окачване с пружини и амортисьори, модели с предно предаване 1. Горна пружинна седалка; 2. Пролет; 3. Долна пружинна седалка; 4. Болт: при модели със задвижване на всички колела - 180 Nm; при модели с предно предаване - затегнете с ненатоварено окачване (130 Nm, след това затегнете до ъгъл 90°); 5. Болтът, подлежащ на смяна, 50 Nm, след което го затегнете до ъгъл от 45°; 6. Амортисьор; 7. Шайба; 8. Долен напречен носач; 9. Държач за главина
1.3б. Пружина и амортисьор на задното окачване за модели с двойно предаване Вижте надписите за илюстрация 1.3a
Промяна на окачването може да се определи по PR-номер на стикер с данни за превозното средство (вижте илюстрация 1.4), разположен на пода на багажното отделение и в сервизната книжка (вижте Въведение).
Информация, публикувана на уебсайта: skodabook
1.4. Идентификация на окачването 1. Пружини; 2. Амортисьори; 3. Шаси
Кормилното управление се състои от волана, волан на вала на кормилното механизъм тип "пиньон-рейка" и кормилното. Воланът с вградена предна въздушна възглавница за водача е монтиран на вал, който предава движенията на волана към кормилния механизъм. Превключвателят на кормилната колона е монтиран зад волана. За да се поддържа контакт между въздушната възглавница и управляващия блок на SRS системата при завъртане на волана, се използва спирална пружина, която може да се усуква и развива. Спиралната пружина се състои от лента с вътрешни проводими пътеки. Кормилната колона може да се регулира както по обхват, така и по наклон.
За да улесни шофирането, автомобилът е оборудван с електромеханично сервоуправление от 3-то поколение с две водещи предавки. Към простия кормилен механизъм е добавена отделна трансмисия, действаща върху кормилната рейка и задвижвана от електрически мотор. Сензорът за въртящ момент на кормилния вал, действащ върху волана заедно със сензора за ъгъла на завиване, е разположен в кормилната предавка. Комуникацията се осъществява чрез CAN шината за данни. Предимствата на този дизайн включват:
- ниска консумация на енергия (усилвателят използва енергия само когато действително работи, когато воланът е завъртян);
- хидравличните компоненти падат (помпа, тръбопроводи и резервоар на хидравличното управление);
- минимално предаване на ударите към волана (например, когато шофирате по неравен път);
- ниско предаване на шум към превозното средство;
- функцията "активно връщане" помага за връщането на колелата в права позиция
При извършване на ремонти или обслужване на компоненти на окачването и кормилното управление често възникват проблеми с разхлабването на "заседнали" болтове и гайки. Крепежните елементи, разположени под дъното на автомобила, са постоянно изложени на външни влияния и с течение на времето корозират и частично се износват. Използването на груба сила за разхлабване на такъв "заседнал" закопчал елемент носи риск от повреда. Първо, намокрете несменяемия елемент с малко количество специална проникваща течност (например, WD-40), като му позволите да попие добре в слоя ръжда. Използвайте телена четка, за да премахнете външни отлагания от достъпните места на резбованите повърхности. Понякога рязък удар с чук върху гайката през отбойник помага за унищожаване на ръждата, запълваща празнините между резбите на резбовата връзка - опитайте се да не повредите резбите в резултат на отделянето на отбойника. Използването на дълга дръжка при разхлабване на "заседнал" крепежен елемент ви позволява значително да увеличите приложения въртящ момент, но трябва да се помни, че използването на удължители в комплект с тресчоткови задвижвания е свързано с риск от повреда на механизма за връщане, както и с възможността за нараняване. Самозатягащите се гайки и крепежни елементи, повредени от корозия или отстраняване по време на ремонт, трябва да бъдат подменени безпроблемно. Заваряването и изправянето не са разрешени на лагери, които носят товари, и на компоненти на окачването, които направляват колелото.
Тъй като повечето от процедурите, описани в тази глава, се извършват на превозно средство, повдигнато над земята, трябва предварително да се погрижите за опциите за сигурното му фиксиране в повдигнато положение - подгответе здрави опори. За да повдигнете превозното средство с крик, използвайте хидравличен крик - не забравяйте, че стандартният бордови крик е предназначен само за временно повдигане на превозното средство с крик при смяна на счупено колело. Хидравличен крик може да се използва и за повдигане на някои компоненти на окачването, докато се извършва определена процедура. Преди да извършите каквато и да е работа, закрепете превозното средство към повдигащите крака с помощта на предпазни колани.
Внимание: Не е разрешено да се извършва работа под превозно средство, което се държи в повдигнато положение само с помощта на крикове!
