Забележка: Наличието на метални стърготини или големи количества малки метални частици, открити по време на реконструкцията на двигателя, може да означава повреда на коляновия вал и лагерите на мотовилката. За да предотвратите по-нататъшни повреди, почистете старателно маслените канали и сменете маслените дюзи, масления охладител и масления филтър.
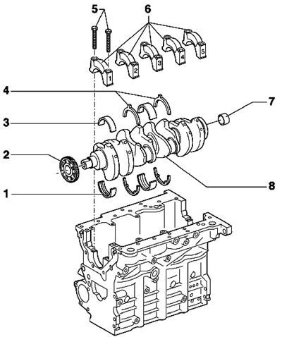
1. Подробностите за монтаж на коляновия вал и групата мотовилка-бутало са показани на илюстрацията. илюстрации.
42.1a Подробности за монтаж на колянов вал
1 Горна основна лагерна обвивка (с жлеб за смазване)
2 Спирална предавка на коляновия вал, за задвижване на модула на балансиращия вал и маслената помпа, се заменя заедно с междинната предавка
3 Долен корпус на основния лагер (без жлеб за смазване)
4 Аксиални шайби №3 на основния лагер
5 болта, за смяна, 65 Nm, след това затегнете под ъгъл от 90°
6 Капачки на основни лагери, № 3 - с канали за шайби 4
7 Иглен лагер, само при модели с DSG
8 Колянов вал
42.1b Части от групата на мотовилките и буталата
1 Буталните пръстени са монтирани под ъгъл от 120° между ключалките
2 Бутало с горивна камера, стрелката отдолу сочи към задвижващия механизъм, номерация от страната на задвижващия механизъм
3 Бутален щифт, загрейте до 60°C за по-лесен монтаж
4 Задържащ пръстен
5 Свързващ прът, сменяем само по двойки с капак 8, с маркировки, показващи цилиндър (A) и страна на задвижването на синхронизацията (B)
6 Основни лагерни черупки
7 Цилиндров блок
2. Ако отстранените части трябва да се използват повторно, подредете ги така, че да бъдат на същите места и ориентации, когато бъдат повторно инсталирани.
(Текстът е копиран от този ресурс: «SkodaBook.ru»)
3. Смяната на иглен лагер при модели с DSG се извършва по същия начин, както при 3.6 l бензинови двигатели (вижте раздел 14). Поставете лагера на дълбочина 1,5-1,8 mm.
4. Черупките на биелните лагери, монтирани от страната на мотовилката, са изработени от по-устойчив на износване материал от долните черупки и са маркирани с черна линия на работната повърхност в зоната на свързване. Горните обшивки могат да бъдат идентифицирани по черните маркировки върху свързващата повърхност.
5. Биелните пръти и капачките на биелните лагери се произвеждат по метод на отрязване, така че трябва да се сменят само заедно. Маркировките върху биелите и капачките на биелните лагери трябва да са от една и съща страна. Монтирайте черупките на биелните лагери в центъра (както в биелата, така и в нейния капак), така че разстоянието от двете страни да е еднакво. Процедурата за счупване на капачката от нов мотовилка е същата като описаната за 3.6L двигател (вижте раздел 14).
6. Ако се монтират нови бутала или се използва къс цилиндров блок, трябва да се определи броят на маркиращите отвори в уплътнението на главата на цилиндъра (виж прил. илюстрация), което зависи от максималната стойност на изпъкналостта на всички бутала спрямо горната повърхност на цилиндровия блок. Един отвор съответства на издатина от 0,91-1,00 mm, два отвора съответстват на издатина от 1,01-1,10 mm, а три отвора съответстват на издатина от 1,11-1,20 mm.
42.6 Маркировка на гарнитурата на цилиндровата глава
1 Номер на част
2 дупки за маркиране
3 Код за производствен контрол (няма значение)
