Функционална схема на системата Mono-Motronic
1 - Ключ за запалване; 2 - Батерия; 3 - Сензор за скорост и положение на коляновия вал; 4 - λ-сонда; 5 - Катализатор; 6 - Въглероден адсорбер; 7 - Електромагнитен клапан на системата за контрол на емисиите от изпаряване; 8 - Резервоар за гориво; 9 - Електрическа горивна помпа; 10 - Горивен филтър; 11 - Сензор за положение на дросела; 12 - Сензор за температура на охлаждащата течност; 13 - Пречиствател на въздуха; 14 - Инжектор за впръскване на гориво; 15 - Регулатор на налягането на горивото; 16 - Сензор за температура на въздуха; 17 - Стъпков двигател на системата за скорост на празен ход; 18 - Запалителна свещ; 19 - Разпределител на запалването; 20 - ECU за управление на запалването; 21 - ECU инжекционна система; 22 - Предпазители и релета; 23 - Диагностичен конектор
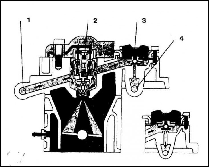
Функционална схема на инжектора за впръскване и регулатора на налягането на горивото
1 - Подаване на гориво от горивната помпа; 2 - Инжектор; 3 - Регулатор на налягането на горивото; 4 - Връщане на гориво в резервоара
Системата Mono-Motronic на Bosch принадлежи към семейството на системите за управление на двигателя със затворен цикъл. Такива системи контролират както самото впръскване на горивото, така и неговото запалване.
Функционалната диаграма на системата Mono-Motronic е показана на илюстрацията. Основните компоненти на системата за впръскване включват: резервоар за гориво с монтирана вътре потопяема електрическа горивна помпа, горивен филтър, захранващи и връщащи линии за гориво, дроселна клапа с вграден в него електронен инжектор за впръскване на гориво, както и електронен блок за управление (ECU), пълен с информационни сензори, задвижващи механизми и свързващо окабеляване.
Горивната помпа осигурява непрекъснато подаване на гориво през патронен филтър в тялото на дросела при леко свръхналягане. Регулаторът на налягането на горивото, вграден в тялото на дросела, осигурява постоянно налягане в инжектора. Излишното гориво се връща обратно в резервоара за гориво през връщащата линия. Тази система за непрекъснато захранване позволява да се намали температурата на горивото и да се предотврати изпарението му.
Инжекторът се отваря и затваря от ECU команда, която изчислява момента и продължителността на впръскване въз основа на анализа на постъпващите информационни сигнали за обороти на двигателя, положение и скорост на дроселовата клапа, температура на входящия въздух, температура на охлаждащата течност, скорост на автомобила, състав на отработените газове и др. Илюстрацията показва работната схема на инжектора за впръскване и регулатора на налягането на горивото.
Въздухът, засмукан в двигателя, преминава през въздушния филтър, вътре в който е монтиран сменяем филтърен елемент, изработен от плътна хартия. Температурата на входящия въздух се контролира от вакуумен клапан, монтиран във всмукателния маркуч на въздухопречиствателя, който позволява смесването на външния въздух с въздуха, влизащ през корпуса на нагревателя, разположен над изпускателния колектор. Позицията на клапата на клапана се контролира от чувствителен на температура превключвател, монтиран вътре във въздушния филтър.
Информацията за оборотите на двигателя се изпраща към ECU от сензора на Хол, който е монтиран отгоре на корпуса на скоростната кутия и записва скоростта на маховика.
Температурата на въздуха, влизащ в тялото на дросела, се измерва от сензор, монтиран директно над инжектора за впръскване. Информацията се изпраща до ECU, който въз основа на своя анализ определя текущите нужди на двигателя по отношение на момента на впръскване и състава на сместа въздух-гориво.
Оборотите на празен ход на двигателя се контролират отчасти от електронния модул за положение на дросела, монтиран в горната част на тялото на дросела, и отчасти от системата за запалване, чрез промяна на настройките за момента на запалване. С оглед на горното необходимостта от ръчни настройки на скоростта отпада и проектът на системата не предвижда тази възможност. Информацията за позицията и скоростта на дроселовата клапа се подава към ECU от специален сензор, понякога наричан още потенциометър на дроселната клапа. Сензорът е разположен на лявата стена на тялото на дросела.
Съдържанието на кислород в отработените газове се следи непрекъснато от ECU чрез λ-сонда, монтирана в предната част на изпускателната система. Чрез анализиране на входящата информация, ECU издава команди за регулиране на момента на запалване и продължителността на впръскване, като по този начин създава оптимална смес въздух-гориво. В резултат на това отпада и необходимостта от ръчно регулиране на съдържанието на CO в отработените газове. Всички модели, обхванати в това ръководство, се доставят стандартно с каталитичен конвертор.
В допълнение към функциите, изброени по-горе, ECU контролира работата на системата за изпаряване на горивото.
Трябва да се отбележи, че диагностицирането на повреди в системата Bosch Mono-Motronic е възможно само с помощта на специален електронен четец. Диагностичният конектор за свързване на четеца се намира от дясната страна на арматурното табло на автомобила. В случай на неизправност на системата, трябва незабавно да се свържете със специалистите на сервизния център на марката Skoda, които ще прочетат и дешифрират кодовете на неизправностите, открити от системата за самодиагностика, записани в паметта на ECU.
Процедурата за подмяна на повредени системни компоненти е описана в следващите раздели на главата.
Предпазни мерки
Внимание! Бензинът е силно запалима течност. Трябва да се вземат специални предпазни мерки при обслужване на компоненти на захранващата система!
Не пушете и не приближавайте работната зона с източник на открит пламък/незащитена преносима лампа! Не обслужвайте компоненти на горивната система в зони, където има нагреватели, работещи с природен газ, оборудвани със запалителен пламък. Уверете се, че винаги имате под ръка зареден пожарогасител.
Избягвайте контакт на горивото с очите и откритата кожа. Носете защитни ръкавици и очила. Измийте всякакви случайни пръски със сапун и вода.
Не забравяйте, че горивните пари са не по-малко, ако не и повече, опасни от самото течно гориво. Не забравяйте, че изпразнените контейнери с бензин продължават да съдържат изпарения от гориво, които са не само лесно запалими, но и потенциално експлозивни!
Много от процедурите, описани в тази глава, включват прекъсване на горивопроводите, което неизбежно води до разлив на гориво. Опитайте се предварително да подготвите всички необходими материали за събиране на разлято гориво.
Не забравяйте, че остатъчното налягане продължава да присъства в системния тракт дълго след като двигателят е спрял. Преди да премахнете или разкачите който и да е компонент на горивната система, това налягане трябва да бъде безопасно освободено (вижте раздел Освобождаване на остатъчното налягане в горивната система).
Когато обслужвате компонентите на горивната система, обърнете специално внимание на поддържането на чистота - мръсотията, попадаща в горивопровода, може да доведе до прекъсване на неговия поток, което да доведе до прекъсване на работата на двигателя и дори до спонтанно спиране.
За личната безопасност на оператора и за защита на оборудването, много от процедурите, описани в тази глава, трябва да се извършват само след като отрицателният кабел на акумулатора е изключен. Тази предпазна мярка първо елиминира възможността от късо съединение и второ, помага да се избегнат пренапрежения в електронните вериги на системата за управление на двигателя, много от чиито компоненти (като ECU, сензори и изпълнителни механизми) са изключително чувствителни към претоварванията, свързани с такива пренапрежения.
Трябва да се отбележи обаче, че системата има известна гъвкавост, която й позволява да се адаптира към промените в характеристиките на двигателя, свързани с износването му по време на работа на автомобила. Тази адаптивност се дължи на наличието на определени параметри в паметта на ECU. При откачане на акумулатора тази информация се изтрива и след стартиране на двигателя възстановяването й изисква малко време. Периодът на рехабилитация може да бъде придружен от нарушаване на стабилността на оборотите на двигателя, намаляване на чувствителността към промени в положението на дроселната клапа, леко увеличение на разхода на гориво и др. Продължителността на процеса на възстановяване се определя от честотата на използване и условията на работа на автомобила.
